125 RC KS
<< Préc. 2 3
<< Préc. 3
121121 messages 2121 images
Posté le 03-03-2018, à 21:42

zac640 a écrit :

125 rc ks

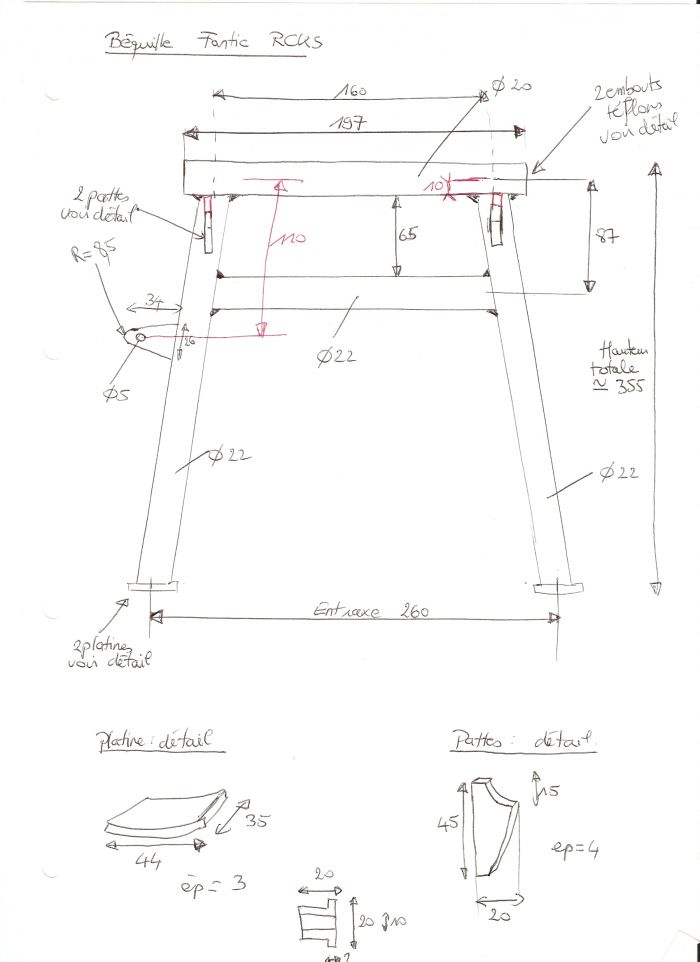
Avec ça tu devrais te débrouiller! 🙂

laulau a écrit :


Ya pas à dire il est bien fait ce croquis... ;) 


 👍 

Moto(s) : Fantic 125 rc/ks Fantic 240 pro
Ce sujet ne contient pas encore de vidéo
<< Préc. 2 3
<< Préc. 3
7 connectés : 1 membres : thierry28, 6 invités et 10 Robots d'exploration.
Fantic Club de France
7 connectés : 1 membres : thierry28, 6 invités et 10 Robots d'exploration.
7 connectés : 1 membres : thierry28, 6 invités et 10 Robots d'exploration.